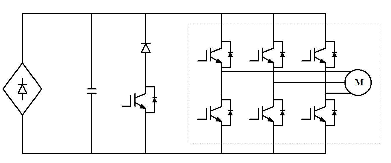
应用说明 永磁同步电机相比传统离合器电机具有体积小、动态性能好、控制方便、高功率密度等优点。基本控制过程如下:DSP根据捕捉到的霍尔位置信号确定转子的当前位置并计算电机的当前转速,通过矢量控制算法和PID算法计算各个PWM输出通道的有效值。输出的PWM经驱动芯片开启响应的IGBT,使得电机的相应绕组通过电流,电机按给定的方向连续转动。江苏江南在线注册-江南(中国)的TFS IGBT 系列产品, 通过优化载流子注入效率和载流子分布,可以显著降低器件饱和压降和关断损耗,从而降低器件功耗,提升系统效率。
线路图
推荐产品IGBT:VCE 600V/650V ID 15A~80A
